第一部分 市林业局基本情况
一、 主要职责
二、 机构设置及人员构成
第二部分 市林业局本级预算情况
一、 市林业局本级预算总体说明
二、预算收支增减变化说明
三、机关运行经费安排情况说明
四、政府采购情况说明
五、一般公共预算财政拨款安排的“三公”经费支出情况说明
六、国有资产占有使用情况
七、市林业局机关本级预算明细表
八、名词解释
第三部分 重点项目预算的得绩效目标
第一部分 市林业局基本情况
一、 主要职责
1、贯彻执行中央和省有关森林生态环境建设、森林资源保护和国土绿化的方针、政策、法律、法规;组织起草地方规范性文件,并监督实施。
2、研究和拟定全市林业发展战略、中长期发展规划并组织实施;监督全市林业资金的管理和使用。
3、组织开展全市植树造林和封山育林工作;组织、指导以植树种草等生物措施防治水土流失和防沙、治沙工作;组织、协调防治荒漠化有关国际公约的履约工作;组织指导全市花卉行业的建设和管理;指导全市国有林场、国有苗圃、森林公园、集体林场、林业工作站及基层林业机构的建设和管理。
4、组织、指导全市森林资源(含经济林、薪炭林及其他特种用途林)的管理;组织全市森林资源调查、动态监测和统计,审核并监督森林资源的使用;组织编制森林采伐限额和木材生产计划,经市政府批准后监督执行;监督林木、竹林的凭证采伐与运输;组织、指导林地、林权管理并对依法应由国家和省批准的林地征用、占用进行初审。
5、组织、指导全市陆生野生动植物资源的保护和合理开发利用;拟定及调整市重点保护的野生动物、植物名录,报市政府批准后发布;在国家和市自然保护区的区划、规划原则的指导下,指导森林和陆生野生动植物类型自然保护区的建设和管理;组织、协调全市湿地保护和有关国际公约的履约工作;负责濒危物种进出口和国家保护的野生动物、珍稀树种、珍稀野生植物及其产品的出口审核、申报工作;组织协调有关国际公约的履约工作。
6、组织、协调、指导监督全市森林防火工作,发布森林火灾信息;指导管理全市森林公安工作;指导、协调、监督查处破坏森林资源和国家重点保护野生动植物资源的大案、要案;组织、指导全市森林病虫鼠害的防治、检疫。
7、研究提出林业产业经营的方案和实施规划;研究提出全市林业发展的经济调节意见;监管国有林业资产;审批重点林业建设项目;指导管理全市林业基本建设。
8、指导各类商品林(包括用材林、经济林、薪炭林、药用林、竹林、特种用途林)和风景林的培育。
9、组织指导林业科技、教育和外事工作;指导全市林业队伍的建设;制定林业科技发展规划,组织重大科研项目攻关和科技成果的推广应用;统筹规划全市林业专业人才培训。
10、承担组织、协调、指导、监督全市森林防火工作的责任,承担市森林防火指挥部地具体工作。承担林业行业行政执法监督的责任。指导全市森林公安工作,监督管理森林公安队伍,指导全市林业重大违法案件的查处。组织指导林业有害生物的防治、检疫工作。
11、参与拟订林业及其生态建设的财政、金融、价格、贸易等经济调节政策,组织、指导林业及其生态建设的生态补偿制度的建设和实施。编制部门预算并组织实施,提出市财政林业专项转移支付资金的预算建议,管理监督市级林业基金和对全市林业资金进行稽查,管理市级林业国有资产,负责提出林业固定资产投资规模和方向、市财政性资金安排意见。按市政府规定权限,审批、核准市规划内和年度计划内固定资产投资项目。编制林业及其生态建设的年度生产计划。
12、组织指导林业及其生态建设的科技、教育,外事和引进、利用外资工作,指导全市了林业队伍的建设。
二、 机构设置及人员构成
市林业局机关内设办公室、造林绿化科(市绿化委员会办公室、产业科)、森林资源管理科(行政审批服务科、政策法规科)、政工科。行政编制12名,工勤事业编制1名,计13名。其中:部门领导职数1正3副,总工程师1名,副调研员2名;科级领导职数5名,其中正科3名,副科1名。 事业编制数7名,实有人数7名,其中正科级1名,副科级1名,科级及以下5名。公益性岗位5名,实有5名。离退休人员20名,其中正县级离休1人。正县级退休4名,副县级退休6人,科级及以下9人。
森林公安局为市林业局所属二级行政单位,核定编制数16名,实有人数13人,其中副县级1名,正科级2名,副科级3名,科员及以下7名。协警批复数5名,实有5名。退休人员5人,其中县级1名。
森林植物检疫站为公益一类事业单位,核定编制数6名,实有人数6名,其中高级林业工程师1名,工程师4名,其他人员1名。退休人员1名,高级林业工程师。
林木种苗管理站为公益一类事业单位,核定编制数3名,实有人数3名,其中正科级1名,科员及以下2名。
木材检查站为公益一类事业单位,核定编制数6名,实有人数5名,其中正科级1名,副科级2名,科员及以下3名,退休人员3名。
陆生野生动物保护站为公益一类事业单位,核定编制数4名,实有人数4名,其中正科级1名,科员及以下3名,无退休人员。
第二部分 市林业局本级预算情况
一、市林业局本级预算总体说明
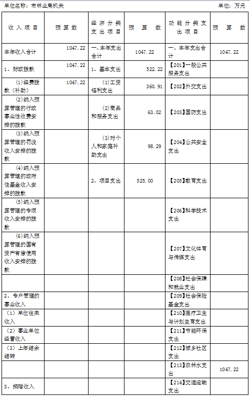
预算收入情况:预算收入1047.22万元;
预算支出情况:预算支出1047.22万元,其中林业行政运行支出522.22万元,其他林业支出525万元。林业行政运行支出中,工资福利支出360.91万元,商品和服务支出63.02万元,对个人和家庭补助支出98.29万元。其他林业支出525万元中,国家森林城市建设成果巩固与精准灭荒专项300万元,黄荆山北麓开山塘口2019年管护费65万元,森林防火及森林公安办案40万元,森林植物检疫监测防治工作经费20万元,松材线虫防治工作经费20万元,水上木材检查站运行费20万元,野生动物保护管理工作经费10万元,林木种苗管理工作经费10万元,林业信息化建设10万元,造林、绿化、林业产业、新农村建设工作经费20万元,湿地保护工作经费10万元。
二、预算收支增减变化说明
1、基本支出减少101.81万元,一是森林专业消防队人员经费调整到森林公安局;二是在职退休1人。
2、项目经费同上年相比,减少了595万元,主要是创建国家森林城市任务完成,支出减少。
三、机关运行经费安排情况说明
2019年市林业局机关运行经费预算安排47.32万元,主要用于机关运行支出,其中2台公务用车运行维护费8万元、办公费4万元、印刷费2万元、水电费8万元、邮电费1.8万元、物业管理费5万元、差旅费1万元、公务接待费0.5万元、劳务费4.78万元、工会经费5.44万元、福利费6.8万元。其中2台公务用车运行维护费8万元、办公费4万元、水电费6万元、物业管理费5.9万元、差旅费1.5万元、邮电费2.4万元、公务接待费0.1万元、劳务费6.6万元。
四、政府采购情况说明
林业局机关2019年政府采购预计支出56万元,其中服务类56万元,含档案整理1万元,印刷费25万元,造林核查及资源调查等30万元。
五、一般公共预算财政拨款安排的“三公”经费支出情况说明
2019年市林业局 “三公”经费预算支出总计为19.5万元,其中公务车运行费12万元,公务接待费7.5万元。公车运行维护费与上年相比增2.5万元,主要是全年由政府租车平台安排车辆1台对松材线虫病防治及精准灭荒任务进行督办。公务接待费与上年相比基本持平。无因公出国(境)费预算,无公务用车购置预算,局机关现有公务用车2台。
六、国有资产占有使用情况
截至2018年12月31日,本部门汇总资产422.86万元,其中专用设备210.75万元,通用设备183.34万元,家具类25.76万元,无形资产3.01万元。其中通用设备中含车辆5辆,其中,按照用途分一般公务用车2辆,一般执勤用车2辆、特征专业技术用车1辆;按照使用单位分局机关2台,森林公安2台,森林植物检疫站1台,较上年无增减变动。价值50万元以上通用设备0,单价100万元以上专业设备0,较上年无增减变动。
七、市林业局机关本级预算明细表
汇总林业局及所属单位预算表格共计有8张表,一般公共预算支出表公开到功能分类项级科目,一般公共预算基本支出表公开到经济性质分类款级科目,表内单位为万元,各表明细如下:
1、市林业局机关部门收支总体情况表


2、市林业局机关部门收入预算情况表

3、市林业局机关部门支出预算情况表

4、市林业局机关收支预算总表


5、市林业局机关一般公共预算支出表

6、市林业局机关一般公共预算基本支出表


7、市林业局机关“三公”经费支出预算表

8、市林业局机关政府性基金预算支出表

八、专业名词解释
1、财政拨款收入:指同级财政当年拨付的资金。
2、上级补助收入:指事业单位从主管部门和上级单位取得的非财政补助收入。
3、事业收入:指事业单位开展专业业务活动及其辅助活动所取得的收入。
4、经营收入:指事业单位在专业业务活动及其辅助活动之外开展非独立核算经营活动取得的收入。
5、附属单位缴款:指事业单位附属的独立核算单位按有关规定上缴的收入。
6、其他收入:指除上述“财政拨款收入”、“事业收入”、“经营收入”、“附属单位缴款”等之外取得的收入。
7、用事业基金弥补收支差额:指事业单位在当年的“财政拨款收入”、“财政拨款结转和结余资金”、“事业收入”、“事业单位经营收入”、“其他收入”不足以安排当年支出的情况下,使用以前年度积累的事业基金(即事业单位当年收支相抵后按国家规定提取、用于弥补以后年度收支差额的基金)弥补本年度收支缺口的资金。
8、上年结转和结余:指以前年度支出预算因客观条件变化未执行完毕、结转到本年度按有关规定继续使用的资金,既包括财政拨款结转和结余,也包括事业收入、经营收入、其他收入的结转和结余。
9、结余分配:反映单位当年结余的分配情况。
10、年末结转和结余:指本年度或以前年度预算安排、因客观条件发生变化无法按原计划实施,需要延迟到以后年度按有关规定继续使用的资金,既包括财政拨款结转和结余,也包括事业收入、经营收入、其他收入的结转和结余。
11、基本支出:指为保障机构正常运转、完成日常工作任务而发生的人员支出和公用支出。
12、项目支出:指在基本支出之外为完成特定行政任务和事业发展目标所发生的支出。
13、经营支出:指事业单位在专业业务活动及其辅助活动之外开展非独立核算经营活动发生的支出。
14、上缴上级支出:指事业单位按照财政部门和主管部门的规定上缴上级单位的支出。
15、对附属单位补助支出:指事业单位发生的用非财政预算资金对附属单位的补助支出。
16、“三公”经费:纳入同级财政预决算管理的“三公”经费是指用一般公共预算财政拨款安排的因公出国(境)费、公务用车购置及运行费和公务接待费。其中,因公出国(境)费反映单位公务出国(境)的住宿费、旅费、伙食补助费、杂费、培训费等支出;公务用车购置及运行费反映单位公务用车购置费及租用费、燃料费、维修费、过路过桥费、保险费、安全奖励费用等支出;公务接待费反映单位按规定开支的各类公务接待(含外宾接待)支出。
17、机关运行经费:为保障行政单位(含参照公务员法管理的事业单位)运行用于购买货物和服务的各项资金,包括办公及印刷费、邮电费、差旅费、会议费、福利费、日常维修费、专用材料及一般设备购置费、办公用房水电费、办公用房取暖费、办公用房物业管理费、公务用车运行维护费以及其他费用。
第三部分 重点项目预算的得绩效目标
(一)创森成果巩固和精准灭荒专项
1、创森成果巩固:在2018年我市取得了国家森林城市的荣誉称号后确定的。为巩固国家森林城市成果,我市需继续进行创森工作,为五年后的复检作好准备。主要工作有市民知晓率宣传、对上对下联络、绿化补植补造等工作。
2、精准灭荒专项:为贯彻落实党的十八大、十九大精神和习近平总书记关于生态文明建设的重要战略思想,围绕省第十一次党代会提出的“绿满荆楚美如画、水光山色与人亲”的生态建设目标,推进长江经济带生态保护和绿色发展,进一步提升生态系统质量和稳定性,我省于2018-2020年实施精准灭荒工程,不断增加森林资源总量,提升森林生态功能。根据黄政办发〔2018〕5号文件,我市主要完成对大广、杭瑞高速、106国道沿线可视范围内0.5万亩宜林荒山造林;对全市20个镇村、社区以奖代补;对全市20个林业产业经营主体以奖代补;松材线虫病及松褐天牛防治面积2万亩;开展造林专项调查3项;开展林业宣传和培训、科普教育;开展长江沿岸造林绿化指挥部工作。
(二)黄荆山北麓开山塘口2019年管护费
开展黄荆山北麓开山塘口生态修复治理工程是市委市政府基于绿色发展理念作出的重大决策。工程自2009年实施以来效果很好,取得了明显成效。为了巩固塘口生态修复成果,2017年市政府召开协调会,将原由市直相关部门负责的黄荆山北麓养护管理工作正式移交给西塞山区(10个)和下陆区(3个),实行属地管理。根据市政府2017年7月4日专题会议纪要(42)号要求,2018、2019年市财政每年统筹安排65万元,给予两区政府经费补助,每个塘口补助养护费5万元,其中西塞山区10个,共计50万元。下陆区3个,共计15万元。
一、创森成果巩固和精准灭荒支出绩效目标申报表



二、黄荆山北麓开山塘口2019年管护费支出绩效目标申报表


